全国龙凤茶楼论坛_重庆419龙凤论坛_广西南宁夜生活论坛网
加入收藏
|
设为首页
|
中文
|
English
服务
人才
环境
技术
信息
产品
公司
首页
加入收藏
|
设为首页
|
中文
|
English
首 页
公 司
产 品
信 息
技 术
环 境
人 才
服 务
诚信 创新 专业 共赢
全员参与 持续改进 精益生产 创造品牌
产品
PRODUCT CENTER
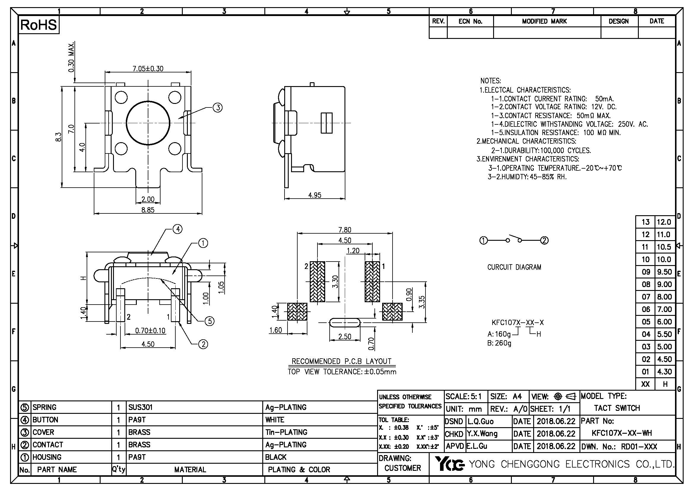
产品型号:
KFC107
产品类别:
KFC 轻触开关系列
产品描述:
TACT SWITCH R/S,CH=4.0mm,250gf±50gf
接触电阻:
≤50MΩ
绝缘电阻:
≥100MΩ
耐 压:
250V/AC
温度范围:
-20℃~+70℃
额定负荷:
50mA/12V DC
寿 命:
100000
按 键 力:
160±50gf/260±50gf
回 弹 力:
≥50gf
查看详情
公司
总裁致词
公司介绍
资质荣誉
企业文化
发展历程
产品
DC 电源插座系列
CKX3.5 插座系列
KFC 轻触开关系列
FC 射频插座系列
更多...
信息
新闻中心
技术
技术
环境
环境方针
环境保护
人才
人才
服务
服务
关注微信公众号
版权所有 © 2008-2010 浙江永成功电塑有限公司 厂址:浙江省温州市永嘉县乌牛街道东蒙工业区 电话:0577-67398288 传真:0577-67396278 E-mail:ycg@m.fxixn.cn
浙ICP备13015622号-1
浙公网安备 33032402001998号
主站蜘蛛池模板:
乐昌市
|
临洮县
|
寻甸
|
山阳县
|
高要市
|
湟中县
|
汉中市
|
济阳县
|
郯城县
|
鹰潭市
|
临夏县
|
沈阳市
|
达尔
|
灵武市
|
宜昌市
|
扶风县
|
稷山县
|
博湖县
|
定边县
|
乌拉特中旗
|
鄯善县
|
荆门市
|
巴塘县
|
冀州市
|
云南省
|
滦南县
|
宝丰县
|
襄汾县
|
宿迁市
|
韶山市
|
台前县
|
庆元县
|
邢台市
|
荔波县
|
北安市
|
久治县
|
武功县
|
乌拉特中旗
|
扎赉特旗
|
临猗县
|
鄱阳县
|