全国龙凤茶楼论坛_重庆419龙凤论坛_广西南宁夜生活论坛网
加入收藏
|
设为首页
|
中文
|
English
服务
人才
环境
技术
信息
产品
公司
首页
加入收藏
|
设为首页
|
中文
|
English
首 页
公 司
产 品
信 息
技 术
环 境
人 才
服 务
诚信 创新 专业 共赢
全员参与 持续改进 精益生产 创造品牌
产品
PRODUCT CENTER
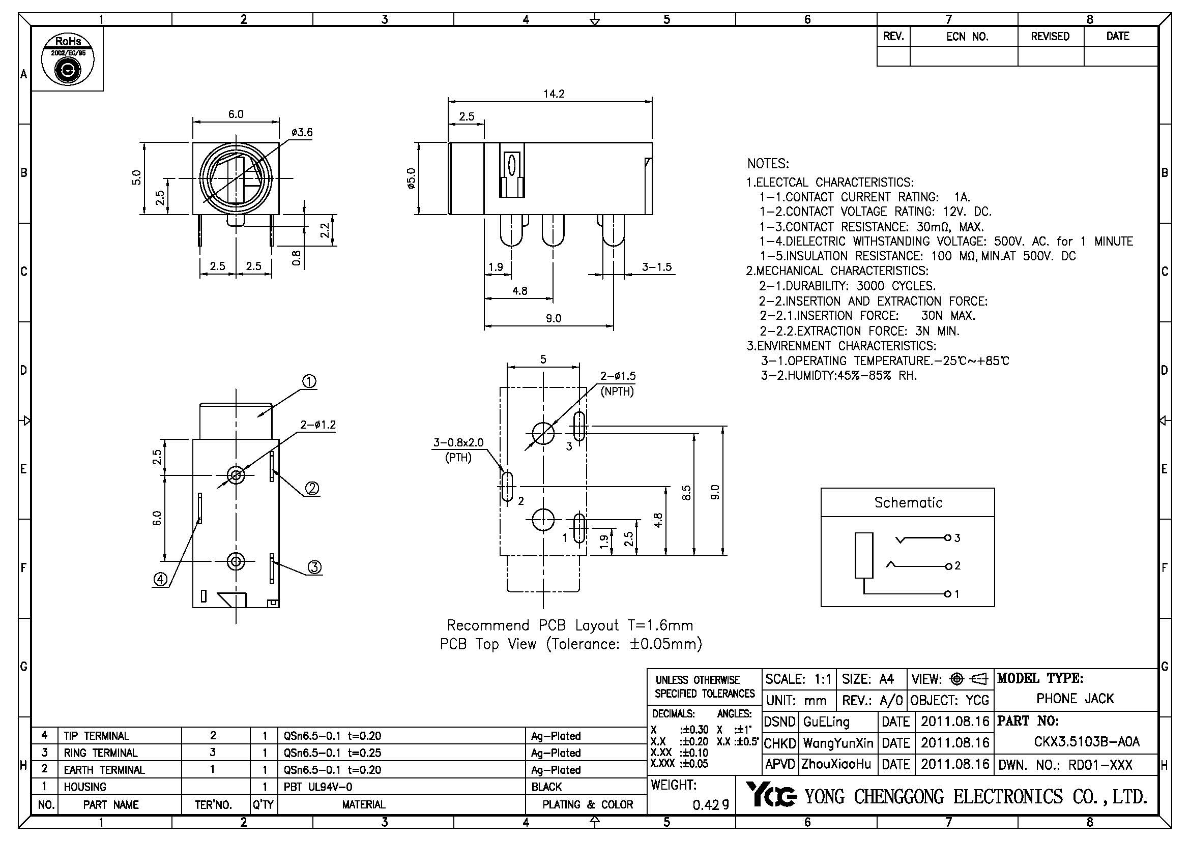
产品型号:
CKX3.5103
产品类别:
CKX3.5 插座系列
产品描述:
PHONE JACK φ3.6mm,R/D,CH2.5mm,3 Poles,BLACK
接触电阻:
≤30MΩ
绝缘电阻:
≥100MΩ
耐 压:
500V/AC
温度范围:
-25℃~+85℃
额定负荷:
1A/12V DC
插 拔 力:
3N~30N
寿 命:
3000
查看详情
公司
总裁致词
公司介绍
资质荣誉
企业文化
发展历程
产品
DC 电源插座系列
CKX3.5 插座系列
KFC 轻触开关系列
FC 射频插座系列
更多...
信息
新闻中心
技术
技术
环境
环境方针
环境保护
人才
人才
服务
服务
关注微信公众号
版权所有 © 2008-2010 浙江永成功电塑有限公司 厂址:浙江省温州市永嘉县乌牛街道东蒙工业区 电话:0577-67398288 传真:0577-67396278 E-mail:ycg@m.fxixn.cn
浙ICP备13015622号-1
浙公网安备 33032402001998号
主站蜘蛛池模板:
新宁县
|
阿拉善右旗
|
哈尔滨市
|
胶州市
|
大田县
|
宝兴县
|
浏阳市
|
焦作市
|
红桥区
|
湘潭市
|
东港市
|
阿瓦提县
|
南丹县
|
夏邑县
|
正定县
|
观塘区
|
太湖县
|
临泉县
|
额尔古纳市
|
辽源市
|
娄底市
|
平昌县
|
固安县
|
库伦旗
|
榆林市
|
恭城
|
南陵县
|
云南省
|
武宣县
|
贵州省
|
突泉县
|
南汇区
|
罗田县
|
宁化县
|
中江县
|
满城县
|
调兵山市
|
宽甸
|
龙胜
|
集贤县
|
丰宁
|